

水下伺服器(舵机)通常用于水下机器人、潜水器、水下观测平台等设备中,以实现精确的角度控制或位置调整。这些设备需要具备良好的防水性能、耐腐蚀性以及在水下环境中的稳定工作能力。
水下伺服器(舵机)通常用于水下机器人、潜水器、水下观测平台等设备中,以实现精确的角度控制或位置调整。这些设备需要具备良好的防水性能、耐腐蚀性以及在水下环境中的稳定工作能力。
水下伺服器(舵机)D100
基本参数
1.型号命名:D100 | 21.控制模式: |
2.型号版本:D100(2023V1.0) | 位置伺服模式:可转动0~360°及多圈任意角度 |
3.型号描述:运转扭矩约3Nm 的水下总线舵机 | 速度控制模式:可恒速控制正反向连续旋转,宽调速范围 |
4.应用场景:水下机械手臂、水下云台、机器鱼关节致动器、 | PWM 控制模式:可输出恒力实现正反方向控制 |
水下镜头清洁致动器、水下阀门执行器 | 自动往复模式:可定义往复角度与时间间隔 |
5.密封方式:免维护全密封 | 22.波特率:9600~1000000Bps |
6.密封结构:旋转动密封结构 | 23.控制频率:333Hz |
7.油压补偿:有 | 24.参数反馈:位置、速度、电压、电流、温度、负载 |
8.空载电流(额定电压):0.05A | 25.保护功能:堵转、过压、过流、过热、过载 |
9.额定电压:24VDC | 26.开发环境:Arduino/STM32/PC/JAVA/C++/C# |
10. 额定运转扭矩:3N·m | 27.技术资料:提供通讯协议、串口调试助手、3D 外观图纸 |
11.额定电流:1.0A | 28.主轴直径:8mm |
12.堵转扭矩:9Nm (仅可短时间内承受过载状态) | 29.主轴材质:316L不锈钢 |
13.堵转电流:实测 | 30.齿轮材质:不锈钢、齿轮钢 |
14.工作电压:11.1~25.2VDC | 31.舵机壳体材质:316L不锈钢 |
15.电机类型:空心杯无刷电机 | 32.线缆外皮材质:TPU (聚氨酯) |
16.角度范围:360° | 33.线缆规格:GS20-03: 外径:7mm 长度:1m 内芯:2×1.0+2×0.2mm² |
17.空载转速:300°/S | 32.接线定义:红:“+”、黑:"-"、黄:“A”、绿:"B” |
18.传感器类型:磁编码 | 34.耐压深度:300m、1500m、4500m |
19.传感器精度:12位 | 35.重量:GS20-03: 空中重量430g 水中重量340g |
20.最小可控角度:0.088°(360°/4096) | 36.温度:储存温度:0~40℃工作温度:0~35℃ |
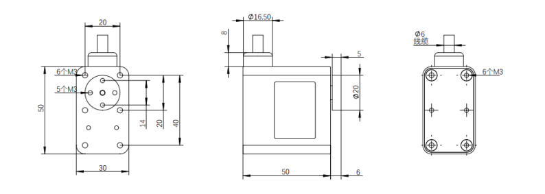
产品尺寸

Copyright © 2003-2021,
www.bjopc.com.cn,All rights reserved
版权所有 © 北京奥普客交电销售中心 未经许可 严禁复制 京ICP备2021012472号-1