

水下推进器 T180采用高性能电机作为动力源,提供持续稳定的动力输出,满足各种水下作业需求。
高效节能:通过优化电机设计和流体动力学性能,降低能耗,提高能源利用率。
结构紧凑:设计紧
动力强劲:CHT200凑,便于安装和维护,适合在有限的空间内使用。
耐腐蚀性强:采用耐腐蚀材料制造,能够在恶劣的水下环境中长期稳定运行。
智能控制:可能配备智能控制系统,实现远程监控和调节,提高作业效率和安全性。
应用领域
潜水作业:为潜水员提供推进力,辅助完成水下考察、搜救等任务。
海洋勘探:搭载于水下机器人或探测器上,进行海底地形地貌、资源勘探等作业。
水下施工:为水下管道铺设、海底电缆维修等施工任务提供动力支持。
水产养殖:用于池塘、湖泊等水域的搅拌、增氧等作业,提高养殖效率。
水下推进器 T180采用高性能电机作为动力源,提供持续稳定的动力输出,满足各种水下作业需求。
高效节能:通过优化电机设计和流体动力学性能,降低能耗,提高能源利用率。
结构紧凑:设计紧
动力强劲:CHT200凑,便于安装和维护,适合在有限的空间内使用。
耐腐蚀性强:采用耐腐蚀材料制造,能够在恶劣的水下环境中长期稳定运行。
智能控制:可能配备智能控制系统,实现远程监控和调节,提高作业效率和安全性。
应用领域
潜水作业:为潜水员提供推进力,辅助完成水下考察、搜救等任务。
海洋勘探:搭载于水下机器人或探测器上,进行海底地形地貌、资源勘探等作业。
水下施工:为水下管道铺设、海底电缆维修等施工任务提供动力支持。
水产养殖:用于池塘、湖泊等水域的搅拌、增氧等作业,提高养殖效率。
水下推进器T150
基本参数
1.型号及命名规则: | 14.主轴材质:316L不锈钢 |
T180-500-(48/300)-STS-ROV-El | 15.螺旋桨直径:180mm |
① ② ③ ④ | 16.螺旋桨配置:CW/CCW |
①“48/300”为可选额定电压配置 | 17.螺旋桨材质:316L不锈钢 |
②“STS”为不锈钢机身 | 18.导流罩材质:POM (聚甲醛,俗称“赛钢”) |
③“ROV”为标准侧面出线方式 | 19.推进器壳体材质:316L不锈钢 |
④“EI”为标准内置电调配置 | 20.水密连接器规格:标准圆8芯(定义详情请联系我司获取) |
2.型号版本: | 21.线缆外皮材质:TPU (聚氨酯) |
T180-500-(48/300)-STS-ROV-EI(2025V1.0) | 22.线缆规格: |
3.型号描述:螺旋桨直径为180mm, 推力约500N的水下推进器 | 外径:10mm 长度:1.5m 内芯:2×1.5+3×2×0.5mm² 线缆定义:CAN/PWM/RS485 (定义详情请联系我司获取) |
4.密封方式: 可维护全密封(维护周期为累计工作时长2000h或1年,具体视推进器工作状态而定) | |
23.驱动器:内置 | |
24.通信协议: PWM/RS485/CAN(定义详情请联系我司获取 | |
5.密封结构:双补偿低阻型旋转动密封结构 | 25.安装座材质:316L不锈钢 |
6.油压补偿:有 | 26.其他部分材质:316L不锈钢 |
7.额定电压:T180-500-300-STS-ROV-EI:300VDC | 27.耐压深度:300m (可定制其他深度) |
8.最大系泊推力(额定电压): | 28.重量: |
T180-500-300-STS-ROV-EI:54.4kgf (正向) 53.9kgf (反向) | 含安装座推进器重量: |
9.最大功率(额定电压):2600W | T180-500-300-STS-ROV-El-AS: 空中重量6800g 水中重量4900g |
10.工作电压范围:T180-500-300-STS-ROV-EI:250VDC~350VDC | 无安装座推进器重量: |
11.电机类型:外转子无刷电机 | T180-500-300-STS-ROV-El-AS: 空中重量6530g 水中重量4650g |
12.电机极对数:7 | 29.温度:储存温度:0~40℃工作温度:0~35℃ |
13.主轴直径:12mm |
推力曲线

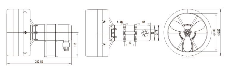
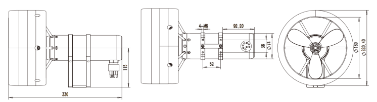
产品尺寸
48V

300V

Copyright © 2003-2021,
www.bjopc.com.cn,All rights reserved
版权所有 © 北京奥普客交电销售中心 未经许可 严禁复制 京ICP备2021012472号-1