

水下推进器 T100-A系列可能采用高性能电机作为动力源,提供持续稳定的动力输出,满足各种水下作业需求。
高效节能:通过优化电机设计和流体动力学性能,降低能耗,提高能源利用率。
结构紧凑:设计紧
动力强劲:CHT200凑,便于安装和维护,适合在有限的空间内使用。
耐腐蚀性强:采用耐腐蚀材料制造,能够在恶劣的水下环境中长期稳定运行。
智能控制:可能配备智能控制系统,实现远程监控和调节,提高作业效率和安全性。
应用领域
潜水作业:为潜水员提供推进力,辅助完成水下考察、搜救等任务。
海洋勘探:搭载于水下机器人或探测器上,进行海底地形地貌、资源勘探等作业。
水下施工:为水下管道铺设、海底电缆维修等施工任务提供动力支持。
水产养殖:用于池塘、湖泊等水域的搅拌、增氧等作业,提高养殖效率。
水下推进器 T100-A系列可能采用高性能电机作为动力源,提供持续稳定的动力输出,满足各种水下作业需求。
高效节能:通过优化电机设计和流体动力学性能,降低能耗,提高能源利用率。
结构紧凑:设计紧
动力强劲:CHT200凑,便于安装和维护,适合在有限的空间内使用。
耐腐蚀性强:采用耐腐蚀材料制造,能够在恶劣的水下环境中长期稳定运行。
智能控制:可能配备智能控制系统,实现远程监控和调节,提高作业效率和安全性。
应用领域
潜水作业:为潜水员提供推进力,辅助完成水下考察、搜救等任务。
海洋勘探:搭载于水下机器人或探测器上,进行海底地形地貌、资源勘探等作业。
水下施工:为水下管道铺设、海底电缆维修等施工任务提供动力支持。
水产养殖:用于池塘、湖泊等水域的搅拌、增氧等作业,提高养殖效率。
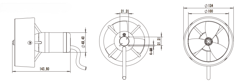
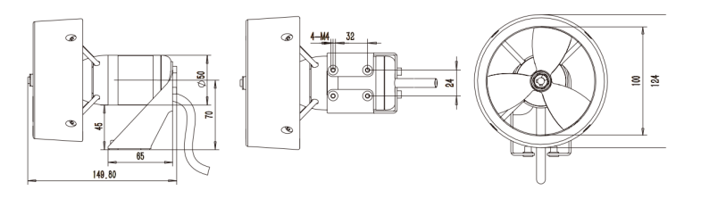
水下推进器T100-A
基本参数
1.型号及命名规则: | 11.电机类型:外转子无刷电机 |
T100-120-A-(24/48)-ALA | 12.电机极对数:7 |
① ② | 13.主轴直径:8mm |
①“24/48”为可选额定电压配置 | 14.主轴材质:316L不锈钢 |
②“ALA”为铝合金机身 | 15.螺旋桨直径:100mm |
2.型号版本 | 16.螺旋桨配置: CW/CCW |
T100-A-(24/48)-ALA(2025V1.0) | 17.螺旋桨材质:7系铝合金原色硬质氧化 |
3.型号描述:螺旋桨直径为100mm, 推力约146N 的水下推进器 | 18.导流罩材质: PC |
4.密封方式:免维护全密封 | 19.推进器壳体材质:6系铝合金表面硬质阳极氧化 |
5.密封结构:双补偿低阻型旋转动密封结构 | 20.线缆外皮材质: TPU (聚氨酯) |
6.油压补偿: 有 | 21.线缆规格: |
7.额定电压: | 外径:8mm 长度:1.5m 内芯:3×2.5mm² |
T100-A-24-ALA:24VDC | 线缆定义:红: “U”白 : "V”黑:"W" |
T100-A-48-ALA:48VDC | 22.安装座材质:304不锈钢 |
8 .最大系泊推力(额定电压): | 23.其他部分材质:316L不锈钢、黑色POM |
T100-A-24-ALA: 11.8kgf (正向) 8.0kgf (反向) | 24.驱动器:外置 |
T100-A-48-ALA: 14.6kgf (正向) 10.5kgf (反向) | 25.耐压深度:100m (可定制其他深度) |
9 . 最大功率(额定电压): | 26.重量: |
T100-A-24-ALA:580W | 含安装座推进器重量: |
T100-A-48-ALA:700W | T100-A-(24/48)-ALA: 空中重量:1030g 水中重量:685g |
10.工作电压范围: | 无安装座推进器重量: |
T100-A-24-ALA:11.1~25.2VDC | T100-A-(24/48)-ALA: 空中重量:920g 水中重量:610g |
T100-A-48-ALA:22.2~50.4VDC | 27.温度:储存温度:0~40℃工作温度:0~35℃ |
推力曲线
24V

48V

产品尺寸

带支架

Copyright © 2003-2021,
www.bjopc.com.cn,All rights reserved
版权所有 © 北京奥普客交电销售中心 未经许可 严禁复制 京ICP备2021012472号-1